芯片ESD測試全解析:原理、方法、流程與等級標準詳解
芯片ESD測試全解析:原理、方法、流程與等級標準詳解
靜電放電(ESD)是導致芯片早期失效的“頭號殺手”,行業數據顯示,超過30%的芯片失效都與靜電放電相關。無論是芯片研發設計、量產品控,還是終端應用驗證,ESD測試都是評估芯片抗靜電能力、保障芯片可靠性的核心環節。本文將從原理到落地,全面拆解芯片ESD測試的全流程,為芯片工程師、硬件研發人員提供一份可落地的完整指南。

一、為什么芯片必須做ESD測試?
靜電放電對芯片的損傷具有隱蔽性和不可逆性,主要分為硬失效和軟失效兩大類,這也是芯片必須通過嚴格ESD測試的核心原因:
硬失效:靜電瞬時高能量直接擊穿芯片柵氧化層、熔斷金屬連線、燒毀PN結,導致芯片直接報廢,外在表現為芯片無功能、漏電流超標、引腳短路,這種損傷不可逆,無法修復。
軟失效:靜電放電造成芯片電路參數漂移、邏輯紊亂、性能衰減,初期芯片仍可正常工作,但在后續使用中會出現突然失效的情況,極易引發終端設備故障,造成更嚴重的產品事故。
因此,ESD防護設計和嚴格的ESD測試,是芯片量產前可靠性驗證中不可或缺的核心環節,也是保障芯片全生命周期穩定運行的關鍵。

二、芯片級ESD測試的三大核心分類
ESD事件可能發生在芯片任意兩個引腳之間,且放電應力有正負之分,行業內將芯片級ESD測試分為三大類,覆蓋所有可能的 ESD放電場景:
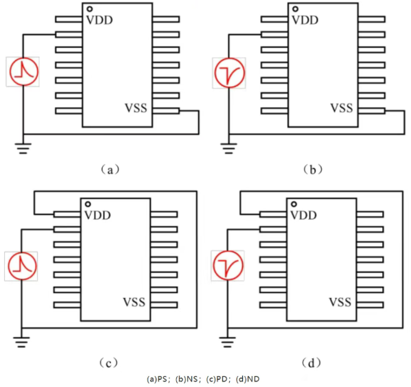
1. I/O引腳對VDD/VSS放電測試
這是芯片ESD測試最基礎的項目,針對每個 I/O 引腳(包括輸入引腳和輸出引腳),需要完成4種組合的放電測試,測試時其他引腳全部浮空,依次對芯片每個 I/O 引腳執行全組合測試。
| 測試組合 | 核心含義 | 放電方式 |
|---|---|---|
| PS | Positive to VSS | 正脈沖對地放電 |
| NS | Negative to VSS | 負脈沖對地放電 |
| PD | Positive to VDD | 正脈沖對電源放電 |
| ND | Negative to VDD | 負脈沖對電源放電 |

2. I/O 引腳對 I/O 引腳(pin-to-pin)測試
芯片任意兩個 I/O 引腳之間都可能形成 ESD 放電回路,若逐一測試所有引腳組合,測試量過大。行業通用測試方法為:在待測 I/O 引腳施加正或負 ESD 脈沖,其他所有 I/O 引腳一起接地,輸入輸出引腳同時浮空,覆蓋引腳間的 ESD 防護能力驗證。

3. VDD 到 VSS 之間放電測試(電源鉗位測試)
該測試主要驗證芯片電源之間的ESD保護能力(電源鉗位性能)。測試方法為:在VDD上施加正負向ESD脈沖,VSS接地,其余 I/O引腳全部懸空;若芯片存在多個電源域,各電源域之間也需要分別完成對應測試。

三、芯片ESD測試主流方法與系統級測試規范
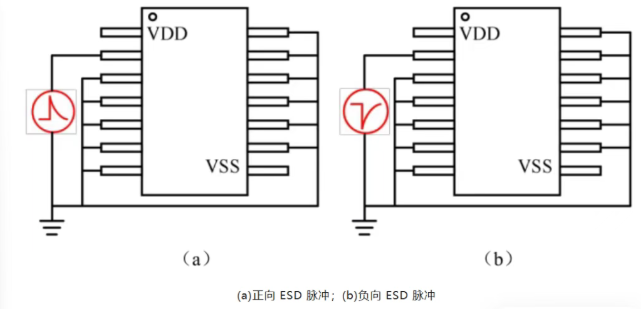
除了核心的芯片級測試,行業內還有通用的系統級ESD測試方法,其中最主流的是IEC系統級測試,主要針對芯片搭載的終端 PCB板、整機系統進行ESD抗干擾能力驗證,分為兩種測試模式:
接觸放電:測試時電子槍口直接對準PCB板、USB口、HDMI接口等待測部位,注入ESD電流,測試過程會產生強烈電磁干擾,是目前系統級ESD測試的主流方式。
空氣放電:主要用于難以直接接觸的待測部位,通過空氣間隙完成 ESD 放電,實際測試中使用頻次較低。
四、芯片 ESD 測試標準流程與電壓步進規則
芯片 ESD 測試有嚴格的行業通用流程與電壓步進規則,確保測試結果的準確性和可復現性,核心規則如下:
基礎放電規則:在每個測試模式下,同一測試電壓需要連續放電(Zap)3 次,每次放電間隔約 1 秒;極端嚴苛測試場景下,可提升至 5 次放電。若芯片未出現損壞,則調高電壓繼續測試,直到找到芯片損壞臨界值,該數值即為芯片 ESD 故障臨界電壓。
起始電壓設定:測試起始電壓一般設定為芯片平均故障臨界電壓的 70%,例如某芯片 HBM 耐壓平均值約 2000V,則測試起始電壓為 1400V。
電壓步進規則:行業通用電壓步進經驗法則如下,可根據芯片測試需求調整步進幅度。
| 測試電壓范圍 | 每次電壓增量標準 |
|---|---|
| <1000V | 50V 或 100V |
| ≥1000V | 100V、250V 或 500V |
五、芯片 ESD 損壞的三大核心判定方法
完成 ESD 測試后,行業內有三種通用的芯片失效判定方法,不同判定準則會得出不同的故障臨界電壓,因此出具 ESD 測試報告時,必須明確標注對應的判定方法。
絕對漏電流法:ESD 測試后,I/O 引腳漏電流超過 1μA 或 10μA(測試偏壓常用 5.5V 或 7V),即可判定芯片 ESD 失效。
相對 I-V 漂移法:ESD 測試后,芯片 I-V 特性曲線漂移超過 30%(行業通用標準,也可根據產品需求調整為 20%/40%),即可判定芯片 ESD 失效。
功能觀測法:完成 ESD 脈沖注入后,全面測試芯片各項功能,驗證是否仍符合產品規格書要求,若出現功能異常,即可判定芯片 ESD 失效。
六、芯片 ESD 測試行業等級典型指標
芯片 ESD 測試有三大核心模型,不同模型對應不同的行業防護等級標準,商用集成電路、功率芯片、車規芯片的等級要求差異顯著,行業典型指標如下:
| 測試模型 | 行業典型防護等級 | 核心備注 |
|---|---|---|
| HBM(人體放電模型) | 消費電子 2kV,車規級可達 8kV | 商用集成電路基礎標準 2kV,功率芯片要求≥4kV,高壓芯片可達 8kV |
| MM(機器放電模型) | 200V~800V | 通常為 HBM 防護等級的 1/10,商用集成電路基礎標準 200V |
| CDM(器件放電模型) | 500V,峰值電流 20A | 商用集成電路通用標準 500V,是芯片量產測試的必測項目 |
七、芯片 ESD 測試的質量管理核心要點
芯片 ESD 防護不是單只芯片、單個引腳的性能問題,而是整批芯片的量產可靠性問題,測試過程中的質量管理核心要點如下:
取樣規則:同一批芯片中,隨機取樣至少 5 顆以上完成全項 ESD 測試,取樣數量越多,測試結果越精準。
臨界值判定:每顆芯片單獨測試得出 ESD 故障臨界電壓,取其中最低值,作為該批次芯片的 ESD 故障臨界電壓。
全場景覆蓋:測試過程中必須覆蓋所有 ESD 放電場景,充分驗證不同放電情況下,電流在芯片內部的流動路徑與防護能力,避免出現測試盲區。
結語
ESD 測試是芯片可靠性驗證中不可或缺的核心環節,從 I/O 引腳對電源地的基礎測試、pin-to-pin 引腳間測試,到電源鉗位測試,從芯片級模型測試到系統級 IEC 測試,每一個測試環節,都直接決定著芯片在實際應用中的 “抗靜電生存能力”。
只有在芯片設計之初做好 ESD 防護設計,在量產階段完成嚴格的 ESD 測試驗證,才能真正為芯片穿上 “防靜電鎧甲”,大幅降低芯片早期失效風險,保障產品全生命周期的穩定運行。
熱門資訊
最新資訊
- 開蓋失效分析:精準定位芯片故障,無損高效檢測
- 工業CT檢測:微米級高精度無損檢測服務
- 破壞性物理分析(DPA)檢測服務
- 芯片ESD測試全解析:原理、方法、流程與等級標準詳解
- 芯片失效分析實戰指南:精準定位失效根源,護航國產芯片良率提升
- 收藏 | 史上最全失效分析指南:PCB、金屬、高分子檢測方法匯總
- PCB切片分析:揭秘電路板內部質量的利器
- 塑料產品CT掃描:工業無損檢測的革命性技術
- ?工業CT三維重建技術全解析:從斷層掃描到高精度3D模型的內部透視邏輯
- PCBA失效分析怎么做?第三方機構詳解7步標準流程
- 工業CT缺陷檢測:氣孔裂紋夾雜一次看清
- PCBA失效分析 | 二極管焊點疲勞開裂案例拆解
- 工業CT掃描多少錢一次?深度解析2026年檢測費用標準與影響因素
- 工業CT無損檢測原理詳解:從X射線到三維重建
- 工業CT無損檢測費用公開:按小時還是按件?島津225KV設備實測,這樣計費更劃算!
- 熱重分析測試怎么做才準?TGA Q500實測案例告訴你答案
- 貼片電容失效分析:3大常見擊穿原因及真實案例解讀
- 工業CT檢測在制造業中的應用
- TGA熱重分析測試:材料熱穩定性與成分分析指南
- 工業CT檢測如何提高產品質量?一個真實案例告訴你答案





